基尔霍夫电流定律适用于( )。
基尔霍夫电流定律也称为节点电流定律,是指电路中任一个节点上,在任一时刻,流入节点的电流之和等于流出节点的电流之和。因此基尔霍夫电流定律适用于节点即符点。
有一圆形气球,电荷均匀分布在其表面,在此气球被缓缓吹大的过程中,始终处于球外的点,其电场强度为( )。
电荷均匀分布的球体,对始终处于球外的点可以等效为一个位于球心的点电荷,电场强度相当于点电荷的场强。在吹大过程中,这个点电荷的电荷大小不变,对始终处于球外的点的作用不变,其电场强度不变。
可传播电磁波的介质为( )。
电磁波的实质是电磁场的传播,是一种能量波,电磁波的传播不需要介质,而是以变化场的形式在空间中传播的,因此可在空气、水、真空中传播。同频率的电磁波,在不同介质中的速度不同。
将一个TTL异或门(设输入端为A、B)当作反相器使用,则A、B端连接( )。
假设输入端B接高电平1,当另一端A输入为1时,A、B相同导致输出为0;当A输入为0时,由于A、B不同,所以输出为1,此时TTL异或门可当作反相器使用。
电路如图,电路电流I为( )。

根据基尔霍夫电流定律,对节点1有:i=I+6;根据基尔霍夫电压定律,对回路1有:3i+I+2I-12=0,解得I=-1A,i=5A。

电路如图,RLC串联电路,
保持不变,发生串联谐振的条件为( )。


R、L、C串联电路出现端口电压与电流同相位,即等效阻抗为一纯电阻时,称电路发生串联谐振。串联谐振的条件为:串联谐振时,电路的电抗为零,则
,即
。
电路如图,L=1H,R=1Ω,
,则i的有效值为( )。


根据叠加定理,将us分为直流
和交流
两部分。
①直流部分
作用下,电感相当于短路:
;
②交流
作用下,XL=ωL=1,X=R+jXL=1+j1,
。
因此,电流
,有效值为
。
电路如图,s闭合前电路处于稳态,t=0时开关闭合,在t≥0时的电感电流为( )。

①求iL(0+)。0-时刻稳态电路如下:

图11iL(0-)=0A,根据换路原则:iL(0+)=iL(0-)=0A。
②求iL(0∞)。0∞时刻稳态电路如下:

图12故iL(∞)=2A。
③求τ。

图13Req=6//3=(6×3)//(6+3)=2Ωτ=L/Req=1/2=0.5s根据三要素公式:i(t)=iL(∞)+[i(0+)-iL(∞)]e-t/τ=2+(0-2)e-t/0.5=2(1-e-2t)A。
以下定律中,能反映恒定电场中电流连续性的是( )。
电荷守恒定律的微分形式为
。对恒定电场,驻立电荷的分布不随时间变化,电荷守恒定律变为
。这表明,在恒定电场中,从任一封闭面或点流出的电流的代数和为零,或流进的电流等于流出的电流,则说明电流是连续的,因此能反映恒定电场中电流连续性的是电荷守恒定律。
恒定磁场的散度等于( )。
磁通连续性原理的微分形式为
,其中▽为散度算符,这是磁场的基本性质之一,称为无散性,因此恒定磁场的散度等于0。
如果
和
分别代表电磁波中的电场向量和磁场向量,则电磁波的传播方向为( )。

根据坡印廷定理,电磁场中的电场强度E与磁场强度B叉乘所得的矢量,即
,代表电磁场能流密度,表示一个与垂直通过单位面积的功率相关的矢量,所以电磁波的传播方向为
。
基本电压放大电路,已知UBE=0.7,β=50,rbe=588Ω,RB=75kΩ,求电压放大倍数Au和输入电阻ri( )。

根据基本放大电路的低频小信号模型可得:

电压放大倍数Au:

输入电阻ri:

图示电路中,输出电压uo为( )。

计算点A的电位uA:
;根据理想运算放大器虚短、虚断概念,对理想运算放大器有
;计算流经点B的电流i:
;计算输出电压uo:
。

两级放大电路中,反馈电阻RF引入的反馈类型是( )。

反馈电阻RF在输出端连接输出电压的“上端”(或“下端”),就形成电压反馈(或电流反馈);反馈电阻RF在输入端连接输入信号的“前端”(或“后端”),就形成并联反馈(或串联反馈)。根据电路结构,可判断反馈电阻RF引入的反馈类型是电压串联负反馈。
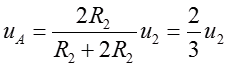
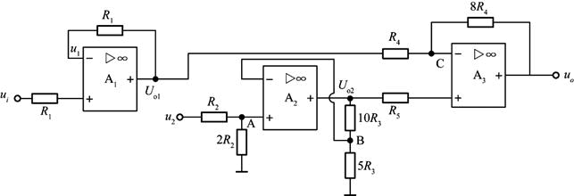
由理想运算放大器组成的电路如图,求uo1、uo2、uo的运算关系式分别为( )。

对理想运算放大器A1有uo1=u1,计算A点电位:

对理想运算放大器A2有

对理想运算放大器A3有uC=u02=2u2。
计算流经电阻R4的电流:

计算输出电压u0:


单相桥式整流电路如图,测得u0=9V,说明电路( )。

对单相桥式整流电路,整流输出直流电压为输入交流电压的0.9倍,又u0=9V,所以可判断电路中的滤波电容开路。
等式不成立的是( )。


TTL门构成的逻辑B端,实现的逻辑功能为( )。

由图可列写输出
,根据逻辑运算公式:
,
,可得
,因此它实现的逻辑功能为同或门。
相关规范中规定,以下哪个电网电压系统中性点不接地?( )
中性点运行方式主要分两类,即中性点直接接地和不接地。在我国,110kV及以上的系统中性点直接接地,35kV及以下的系统中性点不接地。
电路如图,受控电流源吸收的功率为( )。

根据基尔霍夫电流定律,对节点1有:3I=I+i,解得i=2I。根据基尔霍夫电压定律,对回路1有:8+2I-3i=0,解得I=2A,i=4A。对3Ω电阻有:u1=3i=12V,则受控电流源吸收的功率为:P=-3I×u1=-3×2×12=-72W。
新版章节练习,考前压卷,更多优质题库+考生笔记分享,实时更新,用软件考,

一阶电路的时间常数只与电路元件有关的是( )。
一阶电路的时间常数定义为一阶电路微分方程对应的特征根倒数的负值。对RC电路,其时间常数τ=ReqC,RL电路的时间常数τ=L/Req。因此一阶电路的时间常数只与电路元件有关的是电阻和动态元件。

正弦稳态电路如图,若us=10cos2tV,R=2Ω,L=1H,电流i与us的相应关系为( )。

由us=10cos2tV,得ω=2。
,可知i滞后us45°。
电路如图,
,R=8Ω,c=0.625μF,L=80μH,电阻消耗功率为( )。

R和L的串联阻抗Z=R+jωL=8+j×105×80×10-6=8+j8Ω;电容C的电抗ZC=1/(jωC)=1/(j×105×80×10-6)=-j16Ω。令IS=10∠0°,则流经R的电流为

电阻R消耗的功率为

电路如图,γ—γ对称三相电路中原先电流表指示1A(有效值)。后因故障A相断开(即S打开),此时电流表读数为( )。

星形连接的三相交流电路,设相电压为X,则线电压即为
。根据欧姆定律I=U/R,在未断开开关S时,已知相电压U=X,R=Z,则电流相I=U/R=X/Z=1A;断开开关S后,负载变成两个Z串联,即R′=2Z,两负载之间的电压变为线电压,即
,所以此时的电流
。所以故障A相断开(即S打开),此时电流表读数为
。
静电场为( )。
静电场的两个基本方程为

由此可判断静电场为有源无旋场。
磁路中的磁动势对应电路中的电动势,磁路中的什么对应电路中的电流?( )
永久磁铁、铁磁性材料,以及电磁铁中,磁通经过的闭合路径叫做磁路。而电流流过的回路叫做电路,因此磁路中的磁通对应电路中的电流。
如图,设二极管理想,uo值为( )。

假设二极管为截止状态,令点1电位u1=0,则u2=-12V,u3=6V,此时u3>u2,二极管不可能处于截止状态,因此可判断二极管处于导通状态,此时其正向压降为0,故有u0=u21=u31=u3=6V。

74LS161同步进制计数器( )。

由题可知,输入端口A3A2A1A0为0000。当LD端口的值为0时,输出端口Q3Q2Q1Q0=A3A2A1A0,也就意味着一个循环的结束,即清零。当Q0和Q3都等于1时,通过“与非”门后的值为0,即输入LD端口的值为0,此时重新开始一个循环。所以当Q3Q2Q1Q0的值为1001时,输出端口Q3Q2Q1Q0的值等于输入端口A3A2A1A0的值。0000~1001共有10个数字,因此为十进制计数器。
为了将正弦信号转换成与之频率相同的脉冲信号,可采用( )。
利用施密特触发器状态转换过程中的正反馈作用,可以把边沿变化缓慢的周期性信号变换为边沿很陡的矩形脉冲信号。输入的信号只要幅度大于Vt+,即可在施密特触发器的输出端得到同等频率的矩形脉冲信号。
目前,我国的电能主要输送方式是( )。
输电方式按所送电流性质可分为直流输电和交流输电。我国电力输送方式有两种,一种是超高压直流、一种是超高压交流,我国的电能主要输送方式是三相交流电。
您目前分数偏低,基础较薄弱,建议加强练习。