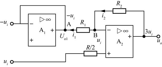
在如图所示电路中,输出电压
为( )。

- A.3ui
- B.-3ui
- C.ui
- D.-ui
正确答案及解析
正确答案
A
解析
根据理想运算放大器虚短、虚断概念,对理想运算放大器A1有uA=-ui,对理想运算放大器A2有uB=ui。R1上的压降:uBA=uB-uA=2ui,R1上的电流:i1=2ui/R。由于R1和R2为串联关系,因此i2 i1=2ui/R,R2上的压降:uCB=uC-uB=2ui,输出电压:uo=uC=uB+2ui=3ui。

在如图所示电路中,输出电压
为( )。

根据理想运算放大器虚短、虚断概念,对理想运算放大器A1有uA=-ui,对理想运算放大器A2有uB=ui。R1上的压降:uBA=uB-uA=2ui,R1上的电流:i1=2ui/R。由于R1和R2为串联关系,因此i2 i1=2ui/R,R2上的压降:uCB=uC-uB=2ui,输出电压:uo=uC=uB+2ui=3ui。
