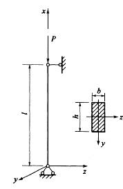
图示两端铰支压杆的截面为矩形,当其失稳时:

- A.临界压力Pcr=π2EIy/l2,挠曲线位于xy面内
- B.临界压力Pcr=π2EIz/l2,挠曲线位于xz面内
- C.临界压力Pcr=π2EIz/l2,挠曲线位于xy面内
- D.临界压力Pcr=π2EIz/l2,挠曲线位于xz面内
正确答案及解析
正确答案
B
解析
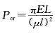
提示:根据临界压力的概念,临界压力是指压杆由稳定开始转化为不稳定的最小轴向压力。由公式
可知,当压杆截面对某轴惯性矩最小时,则压杆截面绕该轴转动并发生弯曲最省力,即这时的轴向压力最小。显然图示矩形截面中Iy是最小惯性矩,并挠曲线应位于xz面内。








