某施工单位承接了路标段K10+300~K24+400的施工。合同中约定,工程价款采用调值公式动态结算。该工程材料费、人工费各占工程价款中的30%,不调值费用占40%。6月材料价格指数比基期上升30%。6月完成工程量金额为463万元。
其主要施工工作衔接关系见下表。

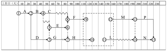
施工单位编制的时标网络计划如下图所示。
施工中,由于业主原因,导致G停工20天。

【问题】
1.按最早开始时间补充绘制时标网络图中虚框内的图形(将虚框内的内容复制在答题卡上作答),并写出关键线路和工期。
2.若按计划执行,施工中每天最多需要多少台挖掘机?如果施工单位只配置了4台,并且保证全部投入使用,写出C连续作业的工作安排。
3.计算6月份调价后的工程款。
4.为保证4、5、6月的施工安全,应在季节性安全措施中考虑防范哪些安全风险?
5.写出G工作的总时差,计算因业主原因导致的工期拖延天数。
6.对于土方挖运施工,除挖掘机外,还需配置哪些主要施工机械?
正确答案及解析
正确答案
解析
1.
关键线路为:①②③⑤⑥⑦⑩⑾⑿⒀⒁⒂(或:A-D-E-H-I-K-M-N);和:①②③⑤⑥⑦⑩⑾⑿⒀⒂(或:A-D-E-H-I-K-M-P)。
工期为220天。
2.
(1)所需机械台数为6台。
(2)C工作推迟10天开始,不会影响总工期,第50天开始,第70天结束。
3.6月份调价后的工程款P=463×(0.7+0.3×1.3)=504.67万元。
4.应考虑防范的风险内容有:防触电、防雷击、防洪、防塌方、防泥石流、防水淹泡等。
5.G的总时差为10天。由于业主原因,导致G停工20天,所以将导致工期拖延20-10=10天。
6.还需配置:推土机、装载机、铲运机、平地机、自卸汽车等。
包含此试题的试卷
你可能感兴趣的试题
承包人已经提交竣工验收报告,发包人拖延验收的,竣工日期()。
-
- A.以合同约定的竣工日期为准
- B.相应顺延
- C.以承包人提交竣工报告之日为准
- D.以实际通过的竣工验收之日为准
- 查看答案
根据《建设工程质量管理条例》,最低保修期限不低于2年的工程有( )。
-
- A.外墙防渗漏
- B.设备安装
- C.给排水管道
- D.防水工程
- E.装修工程
- 查看答案
关于工程量清单计价方式下竣工结算的编制原则,下列说法中正确的是( )。
-
- A.措施项目费按双方确认的工程量乘以已标价工程量清单的综合单价计算
- B.总承包服务费按已标价工程量清单的金额计算,不应调整
- C.暂列金额应减去工程价款调整的金额,余额归承包人
- D.工程实施过程中发承包双方已经确认的工程计量结果和合同价款,应直接进入结算
- 查看答案
(2019年) 根据《建筑施工企业负责人及项目负责人施工现场带班暂行办法》,属于建筑施工企业负责人的是 ( )。
-
- A.实际控制人
- B.副总工程师
- C.主管经营的副总经理
- D.项目经理
- 查看答案
把施工所需的各种资源、生产、生活活动场地及各种临时设施合理地布置在施工现场,使整个现场能有组织地进行文明施工,属于施工组织设计中( )的内容。
-
- A.施工部署
- B.施工方案
- C.安全施工专项方案
- D.施工平面图
- 查看答案