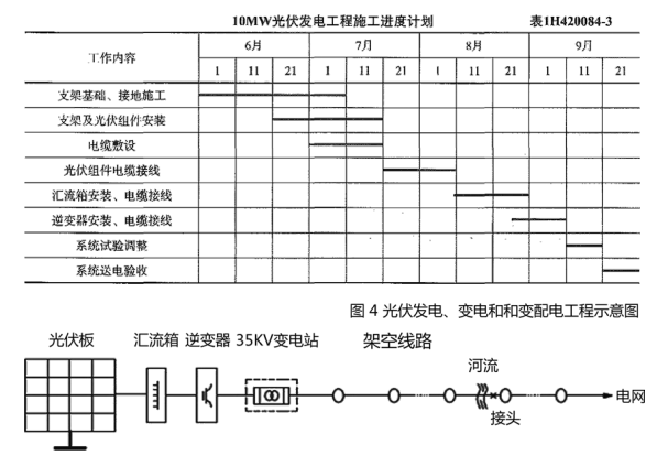
一、背景 A公司承包一个10MW光伏发电、变电和输电工程项目(见图1H420084-4 ) 。 该项目工期120天 ,位于北方某草原, 光伏板金属支架工厂制作,每一个光伏组件串(发电660VDC)用二芯电缆接到直流汇流箱,由逆变器转换成0.4kV三 相交流电,通过变电站升压至35kV ,采用架空线路与电网连接。 A公司项目部进场后,依据合同、设计要求和工程特点编制了施工方案、施工进度计划 、安全技术措施和绿色施工 要点。在10MW光伏发电工程施工方案和施工进度计划(见表1H420084-3 ) 审批时,A公司总工程师指出项目部编制 的施工顺序不符合光伏发电站施工规范要求,施工进度计划中有的工作时间安排不合理,容易造成触电事故,后经 施工顺序修改、施工进度计划调整通过审批。项目部在作业前进行了施工交底,重点是防止触电的安全技术措施和 草原绿色施工要点。 A公司因施工资源等因素的制约,将35kV变电站和35kV架空线路分包给B公司和C公司 ,并要求B公司和C公司依据 10MW光伏发电工程的施工进度编制进度计划,与光伏发电工程同步施工,在9月20日前完成35kV变电站和35kV架 空线路的测试和调整,配合10MW光伏发电工程的系统送电验收。 依据A公司项目部的进度要求,B公司在9月10日前完成35kV变电站的安装工作,后续的系统试验调整合格。 C公司 在9月10日前完成了导线的架设连接(见图1H420084-4架空线路),在进行35kV架空导线测量、试验时,被A公司项目部要求暂停整改,整改项目返工 后,检查符合规范要求。 光伏发电工程、 35kV变电站和35kV架空线路在9月30日前系统送电验收合格,A公司项目部及时整理施工技术资 料,按合同要求将工程及竣工资料移交给建设单位。

二、问题 1.项目部依据进度计划安排施工时可能受到哪些因素的制约?工程分包的施工进度协调管理有哪些作用? 2.施工进度计划中不合理的工作时间应如何调整?为什么说该施工顺序容易造成触电事故?写出光伏发电站施工规 范中对光伏发电工程施工顺序的要求。 3.说明架空导线在测试时被叫停的原因?写出整改项目返工的合格要求。 4.C公司在9月20日前应完成35kV架空线路的哪些测试内容? 5.写出本工程绿色施工中的土壤保护要点。
正确答案及解析
正确答案
解析
1.项目部依据进度计划安排施工时可能受到光伏发电工程的实体现状、安装工艺规律 、设备材料进场时机、施工机 具和作业人员的配备等因素的制约。 工程分包的施工进度协调管理能把制约作用转化成有序的施工条件,使各个工程的施工进度计划安排衔接合理,符 合总进度计划要求。 2.施工进度计划中的工作时间调整:汇流箱的电缆接线工作调整到7月21日~8月10日,光伏组件的电缆接线工作调整 到8月11日~8月30日。因为光伏组件串联后形成高压直流电(660VDC),电缆与光伏组件串连接后,电缆为带电状 态,在后续的电缆施工和接线中容易造成触电事故。 光伏发电站施工规范中对光伏发电工程施工顺序的要求:汇流箱内光伏组件串的电缆接引前,必须确认光伏组件侧 和逆变器侧均有明显断开点。因为汇流箱在进行电缆接引时 ,如果光伏组件串已经连接完毕,那么在光伏组件串两 端就会产生直流高电压;而逆变器侧如果没有断开点,其他已经接引好的光伏组件串的电流可能会从逆变器侧逆流 到汇流箱内,很容易对人身和设备造成伤害。所以在汇流箱的光伏组件串电缆接引前,必须确保没有电压,确认光 伏组件侧和逆变器侧均有明显断开点。 3.架空导线在准备测试时被叫停的原因是: 在跨越河流上空的架空导线有接头。 返工的合格要求是: 架空导线连接应在电杆上跳线连接,导线连接处的机械强度不低于导线自身强度的90%,导线连接处的导线电阻不 超过同长度导线电阻的1.2倍 。 4. C公司在9月20日前应完成35kV架空线路的测试内容有:测量绝缘子和线路的绝缘电阻;测量35kV以上线路的工频参数;检查线路各相两侧的相位应一致;冲击合闸试验 ;测量杆塔的接地电阻值,应符合设计的规定;导线接头测 试。5.本工程绿色施工中的土壤保护要点: (1)因工程是在草原上施工,要保护地表环境,防止土壤侵蚀和流失。因施工造成的裸土应及时覆盖。 (2)污水处理设施等不发生堵塞、渗漏、溢出等现象。 (3)防腐用油漆、绝缘材料等应妥善保管,对现场地面造成污染时应及时进行清理。 (4)施工后应恢复施工活动破坏的植被。
你可能感兴趣的试题
根据《招标投标法实施条例》,视为投标人相互串通投标的情形有( )。
-
- A.投标人之间协商投标报价
- B.不同投标人委托同一单位办理投标事宜
- C.不同投标人的投标保证金从同一单位的账户转出
- D.不同投标人的投标文件载明的项目管理成员为同一人
- E.投标人之间约定中标人
- 查看答案
关于施工图预算和施工预算的说法,错误的是( )。
-
- A.施工预算的材料消耗量一般低于施工图预算的材料消耗量
- B.施工预算是施工企业内部管理的一种文件,与建设单位无直接关系
- C.施工预算的用工量一般比施工图预算的用工量低
- D.施工图预算中的脚手架是根据施工方案确定的搭设方式和材料计算的
- 查看答案
某建设工程项目中标人与招标人签订合同并备案的同时,双方针对结算条款签订了与备案合同完全不同的补充协议。后双方因计价问题发生纠纷,遂诉至法院。法院此时应该( )作为结算工程款的依据。
-
- A.双方达成的补充协议
- B.双方签订的备案合同
- C.类似项目的结算价格
- D.市场的平均价格
- 查看答案
关于施工成本控制的说法,正确的是( )。
-
- A.施工成本管理体系由社会有关组织进行评审和认证
- B.要做好施工成本的过程控制,必须制定规范化的过程控制程序
- C.管理行为控制程序是进行成本过程控制的重点
- D.管理行为控制程序和指标控制程序是相互独立的
- 查看答案
工业安装工程中,分部分项工程质量验收记录的检查评定结论由()编写。
-
- A.建设单位
- B.监理单位
- C.设计单位
- D.施工单位
- 查看答案