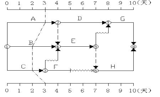
某分部工程时标网络计划如下图所示,当计划执行到第三天结束时检查,实际进度前锋线如图所示,检查结果表明( )。

- A.工作AB 不影响工期,工作C 影响工期1 天
- B.工作A.BC 均不影响工期
- C.工作A 进度正常,工作C 不影响工期,工作B 影响工期1 天
- D.工作A 进度正常,工作B.C 各影响工期1 天
正确答案及解析
正确答案
C
解析
根据分析图上关键线路为A-D-G,按照前锋线定义工作A 进度正常,工作C 不影响工期,工作B 影响工期1 天。
你可能感兴趣的试题
在常用的工程质量控制的统计方法中,可以用来系统整理分析某个质量问题及其产生原因之间关系的方法是( )。
-
- A.相关图法
- B.树枝图法
- C.排列图法
- D.直方图法
- 查看答案
监理单位在工程勘察阶段提供相关服务时,向建设单位提交的工程勘察成果评估报告中应包括的内容有( )
-
- A.勘察报告编制深度
- B.勘察任务书的完成情况
- C.与勘察标准的符合情况
- D.勘察人员资格和业绩情况
- E.勘察工作概况
- 查看答案
某工程进度计划执行过程中,发现某工作出现了进度偏差。经分析该偏差仅对后续工作有影响而对总工期无影响。则该偏差值应()。
-
- A.大于总时差,小于自由时差
- B.大于总时差,大于自由时差
- C.小于总时差,小于自由时差
- D.小于总时差,大于自由时差
- 查看答案
在建设工程进度控制措施中,对建设单位提出应急赶工给予赶工费用补偿的属于()措施。
-
- A.合同
- B.组织
- C.经济
- D.技术
- 查看答案
关于建设工程网络计划技术特征的说法,正确的有()。
-
- A.计划评审技术(PERT)、图示评审技术(GERT)、风险评审技术(VERT)、关键线路法(CPM)等均属于非确定型网络计划
- B.网络计划能够明确表达各项工作之间的逻辑关系
- C.通过网络计划时间参数的计算,可以找出关键线路和关键工作
- D.通过网络计划时间参数的计算,可以明确各项工作的机动时间
- E.网络计划可以利用电子计算机进行计算、优化和调整
- 查看答案